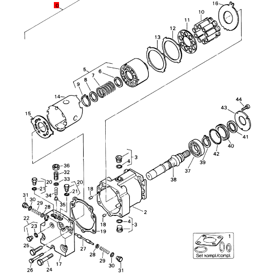
振动马达
0
交易成功
零件号: 05817045
配件编码:1-459330 H
产品品牌:BOMAG(宝马)
适配机型:宝马压路机
别名: 振动马达
属性: 进口
振动马达

产品配件
品牌分类
0
交易成功
整机大修:13698643166 销售维修:15066673183 租赁:13608926127



















0
累计评论