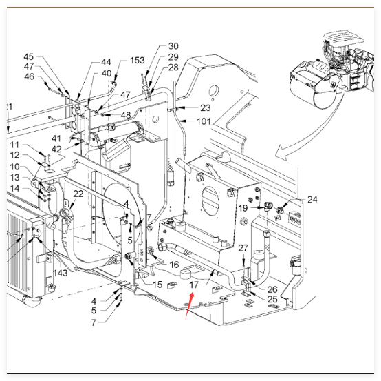
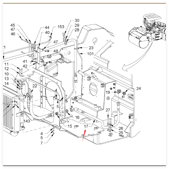
液压油管Шланг гидравлический
价格
¥.00
商城价
¥280.00
0
交易成功
零件号: 1236865
配件编码:
产品品牌:HAMM(悍马)
适配机型:悍马压路机
别名: 液压油管
属性: 进口
液压油管Шланг гидравлический


















0
累计评论