品牌:
零件号:
机型:
名    称:

当前位置: > 首页 >  产品购买 > 其他

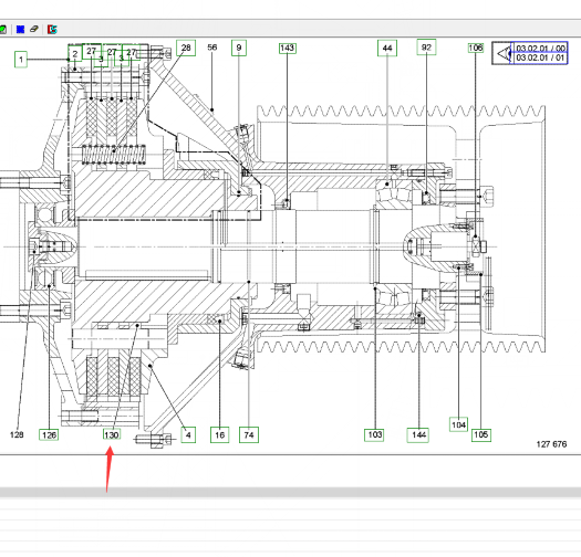
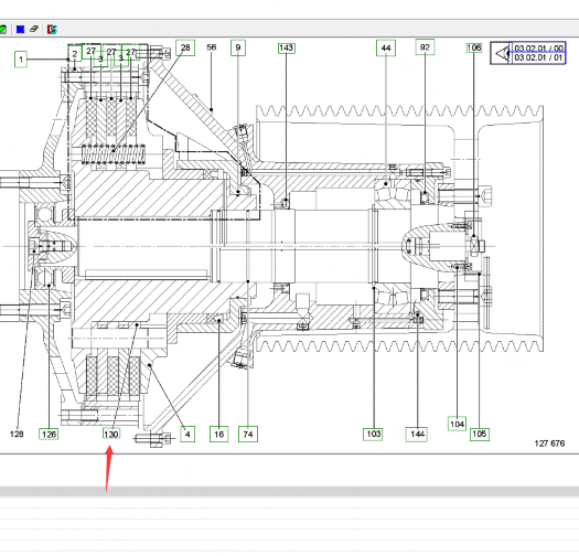
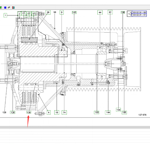
盘型弹簧

0

累计评论

0

交易成功

零件号: 155371
配件编码:HFDKF
产品品牌:WIRTGEN(维特根)
适配机型:维特根
别名: 盘型弹簧
属性: 配套
数量

(库存:)

看了又看