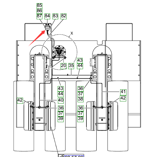
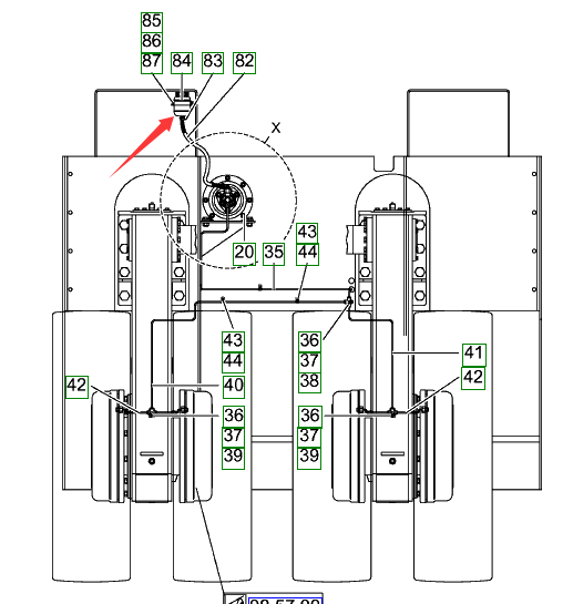
油箱补偿仓
0
交易成功
零件号: 365815
配件编码:HFDKF
产品品牌:HAMM(悍马)
适配机型:悍马压路机
别名: 油箱补偿仓
属性:

产品配件
品牌分类
0
交易成功
整机大修:13698643166 销售维修:15066673183 租赁:13608926127


















0
累计评论