品牌:
零件号:
机型:
名    称:

当前位置: > 首页 >  产品购买 > 其他

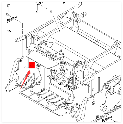
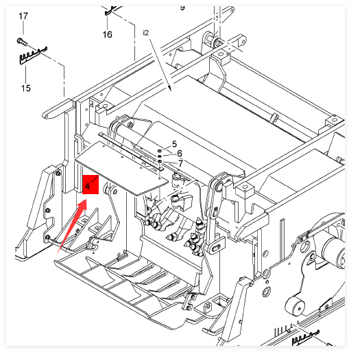
橡胶挡料板

价格

¥.00

商城价

¥.00

0

累计评论

0

交易成功

零件号: 83640479
配件编码:HFDKF
产品品牌:BOMAG(宝马)
适配机型:宝马
别名: 橡胶挡料板
属性:
数量

(库存:)

看了又看