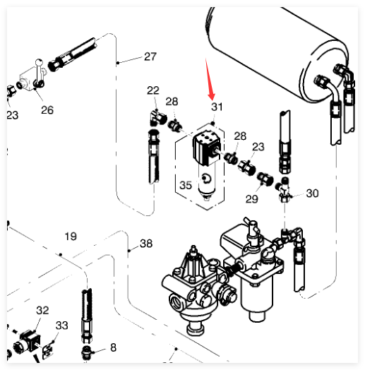
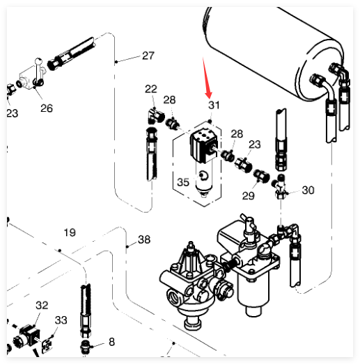
油气分离器总成
0
交易成功
零件号: 127825
配件编码:HFDKF
产品品牌:WIRTGEN(维特根)
适配机型:维特根
别名: 油气分离器总成
属性: 配套

产品配件
品牌分类
0
交易成功
整机大修:13698643166 销售维修:15066673183 租赁:13608926127
























0
累计评论